登录【网站注册】点击左边“微信账号登陆”图标,微信扫描即自动注册并登陆
搜索
查看: 2308|回复: 2

[模具综合] 求一个铸件切割用的夹具方案

[复制链接]
发表于 2017-2-24 08:53:42 | 显示全部楼层 |阅读模式
悬赏10推广未解决
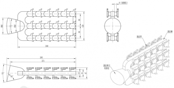
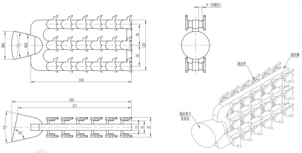
各位好!
        请问像下图中这样的圆锥形浇注杯口,有什么好的夹具方案呢?

        说明和要求:
        1、浇注杯口为三爪卡具的夹紧位;
        2、锯片为砂轮片,外径Φ400mm,厚度4mm;
        3、要求锯片把浇铸件和浇注棒割离开,锯片既不能伤到浇铸件,也不能伤到浇注棒,保证锯片能在切割位范围内切割;
        4、三爪夹具要保证能抓死杯口,确保切割时铸件整体不发生空间位移,始终保持原有状态切割。

        请赐教,多谢!

         切割机总装配图.jpg 旋转台座图.jpg 铸件示意图2.jpg

人人为我,我为人人,欢迎参与!
发表于 2017-2-24 10:50:03 | 显示全部楼层
72.png
其余的工作你自己去思考
GOOD GOOD GOOD
回复

使用道具 举报

 楼主| 发表于 2017-2-28 09:06:24 | 显示全部楼层
感谢优胜五金陈老师!
人人为我,我为人人,欢迎参与!
回复

使用道具 举报

您需要登录后才可以回帖 登录 | 立即注册

本版积分规则


快速回复 返回顶部 返回列表