登录【网站注册】点击左边“微信账号登陆”图标,微信扫描即自动注册并登陆
搜索
查看: 4074|回复: 4

[原创教程] UG钣金不规则百叶窗的做法

[复制链接]
发表于 2016-12-9 17:02:51 | 显示全部楼层 |阅读模式
本帖最后由 优胜UG周平老师 于 2016-12-9 17:08 编辑

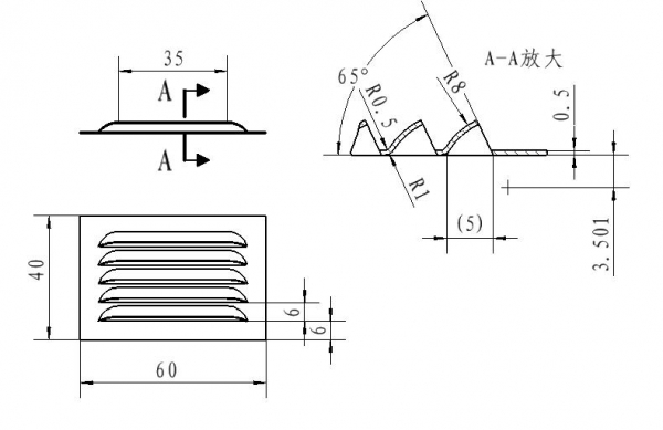
在UG钣金模块里面有个百叶窗的命令,但是只能做一些比较规则的形状,碰到一些不规则的,尺寸就不好控制了。那我们就必须要通过建模模块与钣金模块结合起来才能够达到想要的结果。如看下面的图,百叶窗有角度,并且圆心位置有精确的尺寸。
000.JPG
001.jpg
002.jpg
003.jpg
004.jpg
005.jpg
006.jpg
007.jpg
游客,如果您要查看本帖隐藏内容请回复
动画师动画
发表于 2016-12-10 08:10:57 | 显示全部楼层
UG钣金不规则百叶窗的做法,谢谢!
【温馨提示】技术问题请优先发到问答专栏,优胜教师团队将及时回复,谢谢!
回复 支持 反对

使用道具 举报

您需要登录后才可以回帖 登录 | 立即注册

本版积分规则


快速回复 返回顶部 返回列表