登录【网站注册】点击左边“微信账号登陆”图标,微信扫描即自动注册并登陆
搜索
查看: 6826|回复: 44

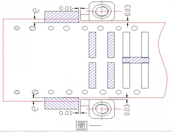
[原创教程] 冲压模具结构及其设计介绍(五金工程师必备资料,实用)

  [复制链接]
发表于 2014-11-5 17:35:35 | 显示全部楼层 |阅读模式
本帖最后由 优胜陈迪清 于 2014-11-5 17:38 编辑

游客,如果您要查看本帖隐藏内容请回复
19%QNI`Q)06D[O}1]44878A.jpg BDQT(]4JLKMG}_J)SDG8`.jpg IA]X~SXJ~6CX5GA4BS@B}GN.jpg MZCI(]BY{T8Z_NVLBASL[]F.jpg

冲压模具结构及其设计介绍.rar

1.39 MB, 下载次数: 847

GOOD GOOD GOOD
发表于 2020-12-13 22:34:00 来自手机 | 显示全部楼层
好好学习天天向上谢谢分享谢谢分享谢谢分享谢谢分享谢谢分享谢谢分享谢谢分享谢谢分享
优胜专注教学 技术实力最强 www.ysug.com
回复 支持 反对

使用道具 举报

发表于 2014-11-6 10:15:11 | 显示全部楼层
弟弟顶顶顶顶顶顶顶顶顶顶顶顶顶顶顶顶顶顶顶顶顶顶顶顶顶顶顶顶顶顶
sdsdsdsd是的是的
回复 支持 反对

使用道具 举报

发表于 2016-12-24 14:12:14 | 显示全部楼层
9d3n五金交流版块›冲压模具结构及其设计介绍(五金 ...› 参与/回复主题
哈哈哈哈哈哈哈哈哈哈哈哈哈哈哈哈
回复 支持 反对

使用道具 举报

发表于 2014-11-6 00:24:47 | 显示全部楼层
222486477撒
优胜专注教学 技术实力最强 www.ysug.com
回复 支持 反对

使用道具 举报

发表于 2014-11-6 08:09:38 | 显示全部楼层
谢谢分享,好资料
该会员没有填写今日想说内容.
回复 支持 反对

使用道具 举报

发表于 2014-11-6 11:22:00 | 显示全部楼层
温馨提示:技术问题请提交到问答专栏,优胜专业老师定期回复
【温馨提示】技术问题请优先发到问答专栏,优胜教师团队将及时回复,谢谢!
回复 支持 反对

使用道具 举报

发表于 2014-11-6 14:54:13 | 显示全部楼层
xiexiefenxiang!!!
【温馨提示】技术问题请优先发到问答专栏,优胜教师团队将及时回复,谢谢! ...
回复 支持 反对

使用道具 举报

您需要登录后才可以回帖 登录 | 立即注册

本版积分规则


快速回复 返回顶部 返回列表