登录【网站注册】点击左边“微信账号登陆”图标,微信扫描即自动注册并登陆
搜索
查看: 9346|回复: 16

[原创教程] Solidworks插件——自动出工程图

    [复制链接]
发表于 2018-8-20 17:16:32 | 显示全部楼层 |阅读模式
Solidworks插件——自动出工程图
关键字:solidworks插件  工程图  南京东岱  MyCADtools
最近发现一个比较好玩的solidworks插件——MyCADtools,这个插件功能比较多,有项目管理,智能bom,切割清单,自动出图。。。。
今天主要说一下这个可以自动出工程图的功能——SmartDrawings。
1.png
首先打开插件就可以看到插件的所有的功能了,我们点击SmartDrawings,可以看到它的界面。根据需要进行设置模型和工程图模板。
2.png
     其次设置工程图的命名,工程图放的位置,如果零件有多种配置也可以进行选择配置。之后在对标注进行设置
3.png
4.png
    所有的设置完成就可以点击Apply,等待自动出土完成就好了。
5.png
完成之后还可以查看报告。
6.png 7.png
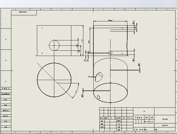
我们就可以在文件夹里面看到工程图了。
8.png

需要的小伙伴可以到ddsoft官网下载试用哦!



【温馨提示】技术问题请优先发到问答专栏,优胜教师团队将及时回复,谢谢! ...
发表于 2018-11-6 15:29:24 | 显示全部楼层
谢谢楼主分享,解决了我的问题,受益良多   chenshenhao
优胜专注教学 技术实力最强 www.ysug.com
回复 支持 反对

使用道具 举报

发表于 2018-9-5 10:46:56 | 显示全部楼层
谢谢楼主分享,解决了我的问题,受益良多   chenshenhao
【温馨提示】技术问题请优先发到问答专栏,优胜教师团队将及时回复,谢谢!
回复 支持 反对

使用道具 举报

发表于 2018-8-31 16:27:34 | 显示全部楼层
感谢楼主的分享,这个功能很实用,出图应该会更加的方便了
优胜专注教学 技术实力最强 www.ysug.com
回复 支持 反对

使用道具 举报

发表于 2018-9-3 10:18:18 | 显示全部楼层
活到老学到老!
放反反复复
回复 支持 反对

使用道具 举报

发表于 2018-9-3 10:30:21 | 显示全部楼层
尺寸标的有点乱啊。
【温馨提示】技术问题请优先发到问答专栏,优胜教师团队将及时回复,谢谢!
回复 支持 反对

使用道具 举报

发表于 2018-9-3 11:26:12 | 显示全部楼层
尺寸标的有点乱啊janson888
【温馨提示】技术问题请优先发到问答专栏,优胜教师团队将及时回复,谢谢!
回复 支持 反对

使用道具 举报

发表于 2018-9-3 12:30:46 | 显示全部楼层
谢谢楼主的分享,很实用,后续会继续关注哒
1w啊哈哈 ...
回复 支持 反对

使用道具 举报

发表于 2018-9-3 13:26:33 | 显示全部楼层
很强大的功能,使用起来很方便。
【温馨提示】技术问题请优先发到问答专栏,优胜教师团 ...
回复 支持 反对

使用道具 举报

发表于 2018-9-3 15:34:40 | 显示全部楼层
谢谢楼主分享,解决了我的问题,受益良多
【温馨提示 ...
回复 支持 反对

使用道具 举报

发表于 2018-9-3 17:40:03 | 显示全部楼层
这需要前期把视图等都定义好吧
优胜专注教学 技术实力最强 www.ysug.com
回复 支持 反对

使用道具 举报

发表于 2018-9-4 13:32:36 | 显示全部楼层
很不错的方法,提高效率。
happy
回复 支持 反对

使用道具 举报

您需要登录后才可以回帖 登录 | 立即注册

本版积分规则


快速回复 返回顶部 返回列表