登录【网站注册】点击左边“微信账号登陆”图标,微信扫描即自动注册并登陆
搜索
查看: 5108|回复: 0

[交流分享] UG模具设计师读装配图和拆画零件图的方法和步骤详解

[复制链接]
发表于 2018-7-12 19:56:19 | 显示全部楼层 |阅读模式
一、读装配图的方法和步骤
1.概括了解
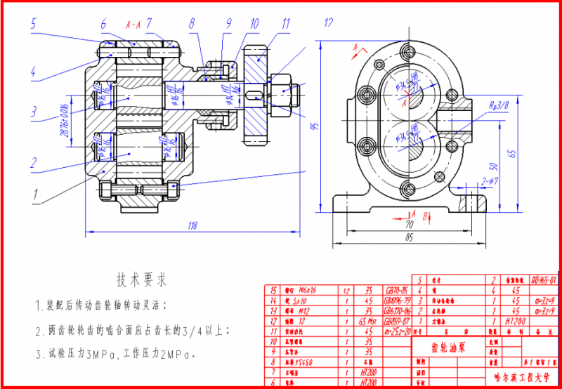
⑴ 看标题栏并参阅有关资料,了解部件的名称、用途和使用性能。
⑵ 看零件编号和明细栏,了解零件的名称、数量和它在图中的位置。
优胜UG模具设计课程
由装配图的标题栏可知,该部件名称为齿轮油泵,是安装在油路中的一种供油装置。由明细栏和外形尺寸可知它由15个零件组成,结构不太复杂。
1.png
⑶ 分析视图,弄清各个视图的名称、所采用的表达方法和所表达的主要内容及视图间的投影关系。
2.png
齿轮油泵装配图由两个视图表达,主视图采用了全剖视,表达了齿轮油泵的主要装配关系。左视图沿左端盖和泵体结合面剖切,并沿进油口轴线取局部剖视,表达了齿轮油泵的工作原理。

2.分析部件的工作原理
从表达传动关系的视图入手,分析部件的工作原理 。
3.png
如图所示,当主动齿轮逆时针转动,从动齿轮顺时针转动时,齿轮啮合区右边的压力降低,油池中的油在大气压力作用下,从进油口进入泵腔内。随着齿轮的转动,齿槽中的油不断沿箭头方向被轮齿带到左边,高压油从出油口送到输油系统。

3.分析零件间的装配关系和部件结构
分析部件的装配关系,要弄清零件之间的配合关系、连接固定方式等。
① 配合关系
可根据图中配合尺寸的配合代号,判别零件的配合制、配合种类及轴、孔的公差等级等。
齿轮油泵有主动齿轮轴系和从动齿轮轴系两条装配线。
优胜UG模具设计课程
4.png
② 连接和固定方式
弄清零件之间用什么方式连接,零件是如何固定、定位的。
左、右端盖与泵体?
用螺钉连接,用销钉准确定位。
齿轮轴的轴向定位?
靠齿轮端面与左、右端盖内侧面接触而定位。
齿轮11在轴上的定位?
用螺母和键在轴向和径向固定、定位。
③ 密封装置
为了防止漏油及灰尘、水分进入泵体内影响齿轮传动,在主动齿轮轴的伸出端设有密封装置,靠压盖螺母和压盖将密封圈压紧密封。
左、右端盖与泵体之间有垫片5密封。
垫片的另一个作用是调整齿轮的轴向间隙。
④ 装拆顺序
部件的结构应利于零件的装拆。
齿轮油泵的装拆顺序:
拆螺钉15 、销钉4 → 左端盖1 → 齿轮轴2→
螺母13及垫圈12→齿轮11→压盖螺母、压盖
及密封圈→齿轮轴1。
优胜UG模具设计课程
⒋ 分析零件,弄清零件的结构形状
顺序:
先看主要零件,再看次要零件;
先看容易分离的零件,再看其它零件;
先分离零件,再分析零件的结构形状。
① 根据剖面线的方向和间隔的不同,及视图间的投影关系等区分形体。
② 看零件编号,分离不剖零件。
③ 看尺寸,综合考虑零件的功用、加工、装配等情况,然后确定零件的形状。
④ 形状不能确定的部分,要根据零件的功用及结构常识确定。

5.png
如: 泵体
根据剖面线的方向及视图间的投影关系,在主、左视图中分离出泵体的主要轮廓如图所示。
主体部分:
外形和内腔
都是长圆形,腔内容纳一对齿轮。
前后锥台有进、出油口与内腔相通,泵体上有与左、右端盖连接用的螺钉孔和销孔。

底板部分:
6.png
根据结构常识,可知底板呈长方形,左、右两边各有一个固定用的螺栓孔,底板上面的凹坑和下面的凹槽,是用于减少加工面,使齿轮油泵固定平稳。
7.png

经分析,可知齿轮油泵泵体的形状
优胜UG模具设计课程
逐个零件分析之后各零件的形状为:
8.png
由装配图拆画零件图
1.拆画零件图的步骤:
(1) 按读装配图的要求,看懂部件的工作原理、装配关系和零件的结构形状。
(2) 根据零件图视图表达的要求,确定各零件的视图表达方案。
(3) 根据零件图的内容和画图要求,画出零件工作图。

二、拆画零件图应注意的问题:
(1) 零件的视图表达方案应根据零件的结构形状确定,而不能盲目照抄装配图。
如齿轮油泵中,右端盖零件的形状如下:
9.png

右端盖的视图应按如下方案确定:
10.png

(2) 在装配图中允许不画的零件的工艺结构,如倒角、圆角、退刀槽等,在零件图中应全部画出。

(3) 零件图的尺寸,除在装配图中注出者外,   其余尺寸都在图上按比例直接量取,并圆整。
与标准件连接或配合的尺寸, 如螺纹、倒角、退刀槽等要查标准注。
有配合要求的表面,要注出尺寸的公差带代号或偏差数值。
优胜UG模具设计课程
(4) 根据零件各表面的作用和工作要求,注出表面粗糙度代号。
① 配合表面:Ra值取3.2~0.8,公差等级高的Ra取较小值。
② 接触面: Ra值取6.3~3.2,如零件的定位底面Ra可取3.2,一般端面可取6.3等。
③ 需加工的自由表面(不与其它零件接触的表面): Ra值可取25~12.5,如螺栓孔等。

(5) 根据零件在部件中的作用和加工条件,确定零件图的其它技术要求。
11.png

12.png

13.png


【温馨提示】技术问题请优先发到问答专栏,优胜教师团队将及时回复,谢谢!
您需要登录后才可以回帖 登录 | 立即注册

本版积分规则


快速回复 返回顶部 返回列表