登录【网站注册】点击左边“微信账号登陆”图标,微信扫描即自动注册并登陆
搜索
查看: 4581|回复: 1

[原创教程] 如何在mastercam9.1程序单中去除图形的隐藏线

[复制链接]
发表于 2018-4-11 10:30:52 | 显示全部楼层 |阅读模式

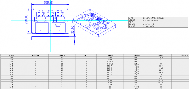
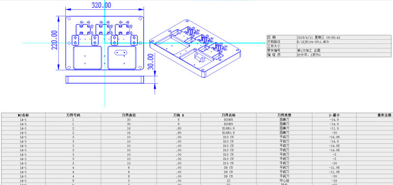
mastercam9.1的程序单通常难于去掉隐藏线,这样会造成加工时正反搞混,为止可利用软件出放电图功能去除,
solides--layout
2018-04-11_100517.png
【温馨提示】技术问题请优先发到问答专栏,优胜教师团队将及时回复,谢谢! ...
发表于 2018-11-6 19:24:33 | 显示全部楼层
怎么去掉的 三视图咋出 谢谢
【温馨提示】技术问题请优先发到问答专栏,优胜教师团队将及时回复,谢谢!
回复 支持 反对

使用道具 举报

您需要登录后才可以回帖 登录 | 立即注册

本版积分规则


快速回复 返回顶部 返回列表