登录【网站注册】点击左边“微信账号登陆”图标,微信扫描即自动注册并登陆
搜索
查看: 2151|回复: 0

[其他服务] 【应用技巧】中望3D-2018改进PDF输出对象并支持矢量输出

[复制链接]
发表于 2018-3-2 11:59:49 | 显示全部楼层 |阅读模式
工业制造
上传图片: -
企业名称: 中望3D
公司地址: 中望3D
公司网站: 中望3D
联系方式: 中望3D
内容简介: 中望3D
       为了使技术沟通更加方便且不受设计软件的约束,中望3D2018版的“PDF输出”能支持“3D PDF输出PMI对象”、“2D PDF支持矢量输出工程图对象”。本次课程将要介绍这两个功能在3D 2018中的使用。
1.3D PDF 输出 PMI 对象
       中望3D的2017版在输出PDF格式时,只能输出产品的结构,不能把在软件中添加的PMI标注一起打包保存。但这一功能在2018版中得到优化升级,用户可以直接把3D模型及相关应用PMI标明技术说明,通过3D PDF打包,把数模保存成PDF的格式。之后通过办公软件Adobe Reader 打开并查看我们的数模、PMI数据 ,对数模进行旋转、平移、放大、测量等操作。与更广泛的人员进行分享和交流,让图纸不再受设计软件的限制,让技术交流变得更随心所欲,这一功能最大限度的提升设计的协同性和效率。
       首先,我们要打开一个已经用中望3D软件PMI标注好的数模,如图1所示。
1.jpg
图1

       然后,将PMI标注完的数模保存成PDF格式,点击“文件”—“另存为”,如图2所示。
2.jpg
图2

       接着,点击另存为后选择保存类型为PDF格式,如图3所示。
3.jpg
图3

       再将保存好的PDF文件用Adobe Reader打开,如图4所示。
4.jpg
图4

       最后,我们就可以把我们的产品结构和尺寸数据以PDF的形式打开。同旧版本相比,2018版本能够将PMI数据在PDF中对外输出,使得客户在对产品进行技术交流、评审时不再受软件的限制,只需通过办公软件就能直观看到。
2.2D PDF 支持矢量输出工程图对象
       矢量导出工程图,就是把工程图的线条作为矢量对象导出,这样无论是着色投影的视图,还是一般的线框投影视图,导出后的PDF放大缩小,边缘都能清晰无锯齿。
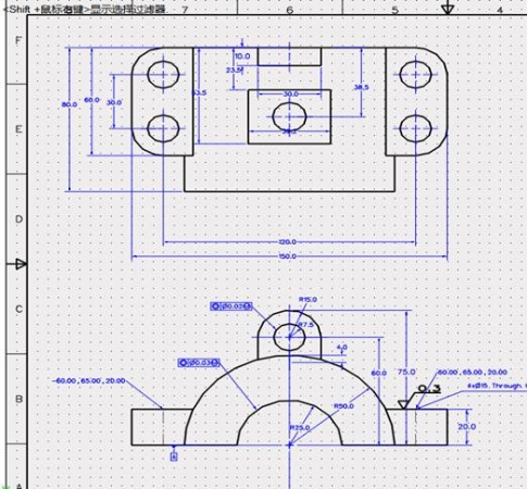
       首先,我们打开一个已经用中望3D 软件设计的2D工程图,如图5所示。
5.jpg
图5

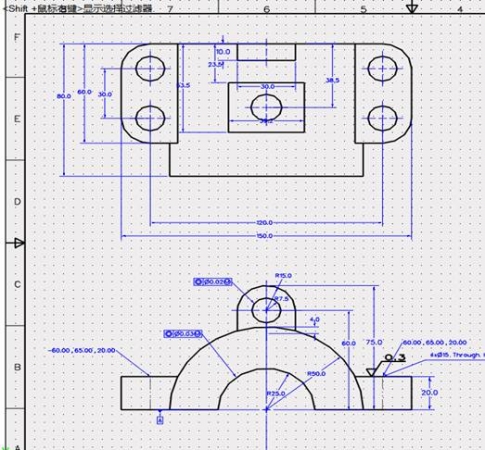
       然后,同3D PDF 输出 PMI 对象的方法一样,将2D工程图保存成PDF格式,并用Adobe Reader打开。我们可以看到无论是着色投影的视图,还是一般的线框投影视图,导出后的PDF放大缩小,线条都非常平滑,如图6所示。
6.jpg
图6

       以上就是中望3D2018版在“PDF 输出”模块上做出的改良。无论是3D输出PMI,还是2D工程图支持矢量化输出,都在用户体验上进行了提升,完善了旧版本。相信能让大家使用起来更方便!
       马上下载中望3D2018版,体验智能设计,让创意无极限:http://www.zw3d.com.cn/product-58-1.html
       移动CAD: http://www.zwcad.com/product/yidong.html
       CAD培训:http://www.zwcad.com/peixun/
         7.jpg       
gjyfkjyukg我
您需要登录后才可以回帖 登录 | 立即注册

本版积分规则


快速回复 返回顶部 返回列表