登录【网站注册】点击左边“微信账号登陆”图标,微信扫描即自动注册并登陆
搜索
查看: 2621|回复: 0

[分享资料] 冲压模具小孔冲孔凸模与凹模的设计

[复制链接]
发表于 2017-4-14 20:31:32 | 显示全部楼层 |阅读模式
冲压模具小孔冲孔凸模与凹模的设计


在模具设计制作过程中,总会遇到一些小孔冲裁,一般来说,我们只要冲头的强度足够,大于1.5个材料厚度时,就可以进行冲压模具生产了.不过对于一些小孔冲孔凸模与凹模的设计,还是需要特别注意的.这里部落不讨论强度的问题,只来看看一些常用到的保护凸模与凹模的方法.

提及小径冲孔,给人的印象大致是小于同时,φ1.0mm小径孔相对应的材料板厚一般在1.0mm上下.实际情况是,对于这样的模具,如果导向精度不够,这样的模具,会很不好生产.

凸模的设计

为了进行保护,冲孔凸模如【图1】所示,采用了通过卸料板对凸模前端进行导向(凸模导向)以防止凸模破损的对策.
1.png

冲压模具小孔冲孔凸模与凹模的设计

凸模尺寸中P与B的关系,以B≤10P为设计准绳.

小孔凸模中,随着B尺寸变短,凸模导向亦随之愈加困难.

作为解决措施,采用了如【图2】所示的台阶凸模.
2.png

冲压模具小孔冲孔凸模与凹模的设计

P上的d尺寸采用d≤P+2t左右,原因是为了避免凸模从材料中拔出时防止孔内部产生形变.

凸模前端导向长度的设定条件:导向长度 ≥ 凸模直径.

此外,凸模与卸料板孔的单边间隙0.003以上.

其设计原理是参考不发生油膜断裂的最小间隙0.003。当然,对凸模侧面进行抛光加工也是可行的.

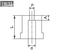
凹模的设计

凹模设计的要点是避免冲裁废料积留在凹模孔内.其要点的问题症结在于,所需的落料力之大,同时相抵触的冲压力之多.
3.png

冲压模具小孔冲孔凸模与凹模的设计

作为对策,应尽可能缩短刃口长度(A).如果可能的话,应以逐一单片落料为设计理念.

原则上,落料孔(d寸)相对于P寸,应谨防尺寸悬殊。同时,若缩小d寸,凹模长度(L)亦应相应缩短.防堵塞对策.

配合间隙要大于常规间隙,以降低冲压加工力.

在小径孔加工时,若采用常规间隙加工,则会使冲压面拉长.同时亦是冲裁废料留积凹模的原因.
劳而无功夺堪
您需要登录后才可以回帖 登录 | 立即注册

本版积分规则


快速回复 返回顶部 返回列表