登录【网站注册】点击左边“微信账号登陆”图标,微信扫描即自动注册并登陆
搜索
查看: 4152|回复: 3

[分享资料] 美国GENERAL COMPONENTS标准件

[复制链接]
发表于 2012-10-9 17:41:32 | 显示全部楼层 |阅读模式
本帖最后由 路遥知马力 于 2012-10-9 17:45 编辑

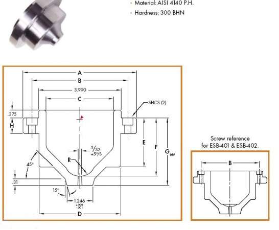
美国GENERAL COMPONENTS标准件

华为网盘附件:
【华为网盘】美国GENERAL COMPONENTS标准件.rar(708.25K)

2009.jpg
优胜专注教学 技术实力最强 www.ysug.com
发表于 2014-2-28 23:20:55 | 显示全部楼层
没人识货。。。我顶你起来
【温馨提示】技术问题请优先发到问答专栏,优胜教师团队将及时回复,谢谢! ...
回复 支持 反对

使用道具 举报

发表于 2021-7-14 22:36:33 | 显示全部楼层
感谢兄弟分享
优胜专注教学 技术实力最强 www.ysug.com
回复 支持 反对

使用道具 举报

您需要登录后才可以回帖 登录 | 立即注册

本版积分规则


快速回复 返回顶部 返回列表