登录【网站注册】点击左边“微信账号登陆”图标,微信扫描即自动注册并登陆
搜索
查看: 2892|回复: 1

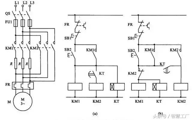
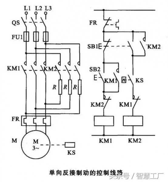
[转载文章] 老电工珍藏:36种自动控制原理图

[复制链接]
发表于 2018-3-24 14:44:38 | 显示全部楼层 |阅读模式
1.jpg 2.jpg 3.jpg 4.jpg 5.jpg 6.jpg 7.jpg 8.jpg 9.jpg 10.jpg 12.jpg 13.jpg 14.jpg 15.jpg 17.jpg 18.jpg 20.jpg 21.jpg 22.jpg 23.jpg 24.jpg 25.jpg 28.jpg 29.jpg 32.jpg 33.jpg 34.jpg 36.jpg
更多图片 小图 大图
组图打开中,请稍候......
GOOD GOOD GOOD
发表于 2018-8-12 16:58:10 | 显示全部楼层
赠人玫瑰,手留余香
【温馨提示】技术问题请优先发到问答专栏,优胜教师团 ...
回复 支持 反对

使用道具 举报

您需要登录后才可以回帖 登录 | 立即注册

本版积分规则


快速回复 返回顶部 返回列表